微型擺線減速機概述
特點
擺線針輪減速機具有傳動比大、效率高、體積小、質量輕、經久耐用、使用可靠、壽命長,可在任何角度任何方向安裝使用等特點。適用用于食品機械、印刷機械、紡織機械、橡塑機械、制藥機械、陶瓷機械及各種工業生產流水線的減速裝置與傳動裝置。
微型減速機型號、減速比及其表示方法
a、單級減速比機型有WB65型、WB85型、WB100型、WB120型、WB150型。其減速比分別有9、11、17、23、29、35、43、59、71、87。
b、雙級減速比機型有WBE1065型、WBE1285型、WBE1510型。其減速比分別有:121、187、289、385、473、595、731、989、1225、1849。
WB一級微型減速機型號規格選型參數
|
機型
|
三相電動機(W)
|
單相電動機(W)
|
直流伺服電機(W)
|
制動電動機(W)
|
傳動比
|
低速軸許用扭矩N·m
|
|||||||||
|
9
|
11
|
17
|
23
|
29
|
35
|
43
|
59
|
71
|
87
|
||||||
|
65
|
40
|
40※
|
|
|
|
○
|
○
|
○
|
○
|
○
|
○
|
|
|
|
25
|
|
60
|
60※
|
50
|
|
|
○
|
○
|
○
|
○
|
○
|
●
|
|
|
|
||
|
90
|
90※
|
|
|
|
○
|
○
|
○
|
○
|
●
|
△
|
|
|
|
||
|
120
|
|
|
|
|
○
|
○
|
○
|
●
|
△
|
△
|
|
|
|
||
|
85
|
90
|
90▲
|
80
|
|
|
○
|
○
|
○
|
○
|
○
|
○
|
|
|
|
60
|
|
120
|
120▲
|
123
|
|
|
○
|
○
|
○
|
○
|
○
|
●
|
|
|
|
||
|
180
|
|
|
200
|
○
|
○
|
○
|
○
|
○
|
●
|
△
|
|
|
|
||
|
250
|
|
|
|
○
|
○
|
○
|
○
|
●
|
△
|
△
|
|
|
|
||
|
370
|
|
|
|
○
|
○
|
○
|
●
|
△
|
△
|
△
|
|
|
|
||
|
100
|
180
|
180★
|
185
|
200
|
○
|
○
|
○
|
○
|
○
|
○
|
○
|
○
|
|
|
120
|
|
250
|
250★
|
|
|
○
|
○
|
○
|
○
|
○
|
○
|
○
|
●
|
|
|
||
|
370
|
370★
|
355
|
400
|
○
|
○
|
○
|
○
|
○
|
○
|
●
|
△
|
|
|
||
|
550
|
|
|
|
○
|
○
|
○
|
○
|
○
|
●
|
△
|
△
|
|
|
||
|
750
|
|
|
|
○
|
○
|
○
|
●
|
△
|
△
|
△
|
△
|
|
|
||
|
120
|
370
|
370★
|
355
|
400
|
○
|
○
|
○
|
○
|
○
|
○
|
○
|
●
|
△
|
|
150
|
|
550
|
550★
|
|
550
|
○
|
○
|
○
|
○
|
○
|
●
|
●
|
|
△
|
|
||
|
750
|
750★
|
|
750
|
○
|
○
|
○
|
○
|
●
|
△
|
△
|
△
|
△
|
|
||
|
1100
|
|
|
|
○
|
○
|
○
|
●
|
△
|
△
|
△
|
△
|
△
|
|
||
|
1500
|
|
|
|
○
|
○
|
●
|
△
|
△
|
△
|
△
|
△
|
△
|
|
||
|
150
|
550
|
550★
|
|
|
○
|
○
|
○
|
○
|
○
|
○
|
○
|
○
|
●
|
△
|
250
|
|
750
|
750★
|
|
750
|
○
|
○
|
○
|
○
|
○
|
○
|
○
|
●
|
△
|
△
|
||
|
1100
|
|
|
1100
|
○
|
○
|
○
|
○
|
○
|
●
|
△
|
△
|
△
|
△
|
||
|
1500
|
|
|
1500
|
○
|
○
|
○
|
●
|
●
|
△
|
△
|
△
|
△
|
△
|
||
|
2200
|
|
|
3200
|
○
|
○
|
●
|
△
|
△
|
△
|
△
|
△
|
△
|
△
|
||
|
3000
|
|
|
3000
|
○
|
●
|
△
|
△
|
△
|
△
|
△
|
△
|
△
|
△
|
||
|
輸出軸轉速(r/min
|
四級電機時(1400r/min)
|
155
|
127
|
82
|
60
|
48
|
40
|
32
|
23
|
20
|
17
|
|
|||
|
六級電機時(950r/min)
|
105
|
86
|
56
|
41
|
33
|
27
|
22
|
16
|
13
|
11
|
|
||||
● 表示電機可全容量使用○表示電機小于設計功率表示電機大于設計功率▲表示單相電陰啟動電機★表示單相電容機※表示單相電動機。
WBE系列二級微型擺線針輪減速機型號規格選參數
|
機
型
|
三相電機(W)
|
單相電動機(W)
|
直流伺服電動
|
制動電動機(W)
|
傳動比
|
低速軸許用扭矩(N·mm)
|
|||||||||
|
(11×11)
121
|
(11×17)
187
|
(17×17)
289
|
(11×35)
385
|
(11×43)
473
|
(17×35)
595
|
(17×43)
471
|
(23×43)
989
|
(35×35)
1225
|
(43×43)
1849
|
||||||
|
1065
|
40
|
40※
|
|
|
○
|
○
|
○
|
○
|
●
|
△
|
△
|
△
|
△
|
△
|
120
|
|
60
|
60※
|
50
|
|
○
|
○
|
○
|
●
|
△
|
△
|
△
|
△
|
△
|
△
|
||
|
90
|
90※
|
|
|
○
|
●
|
△
|
△
|
△
|
△
|
△
|
△
|
△
|
△
|
||
|
120
|
|
|
|
●
|
△
|
△
|
△
|
△
|
△
|
△
|
△
|
△
|
△
|
||
|
1285
|
90
|
90▲
|
80
|
|
○
|
○
|
○
|
●
|
△
|
△
|
△
|
△
|
△
|
△
|
150
|
|
120
|
|
120
|
|
○
|
○
|
●
|
△
|
△
|
△
|
△
|
△
|
△
|
△
|
||
|
180
|
|
|
200
|
○
|
●
|
△
|
△
|
△
|
△
|
△
|
△
|
△
|
△
|
||
|
250
|
|
|
|
●
|
△
|
△
|
△
|
△
|
△
|
△
|
△
|
△
|
△
|
||
|
370
|
|
|
|
△
|
△
|
△
|
△
|
△
|
△
|
△
|
△
|
△
|
△
|
||
|
1510
|
180
|
180★
|
|
200
|
○
|
○
|
●
|
△
|
△
|
△
|
△
|
△
|
△
|
△
|
250
|
|
250
|
250★
|
|
|
○
|
●
|
△
|
△
|
△
|
△
|
△
|
△
|
△
|
△
|
||
|
370
|
370★
|
355
|
400
|
●
|
△
|
△
|
△
|
△
|
△
|
△
|
△
|
△
|
△
|
||
|
550
|
|
|
|
△
|
△
|
△
|
△
|
△
|
△
|
△
|
△
|
△
|
△
|
||
|
750
|
|
|
|
△
|
△
|
△
|
△
|
△
|
△
|
△
|
△
|
△
|
△
|
||
|
當四極電機時(140r/min)其輸出軸轉速
|
11.5
|
7.5
|
4.8
|
3.6
|
3
|
2.3
|
1.9
|
1.4
|
1.1
|
0.7
|
|||||
● 表示電機可全容易使用○表示電機小于設計功率△表示電機大于設計功率▲表示單相電阻啟動電機★表示單相容啟動電機※表示單相電容運轉電動機。
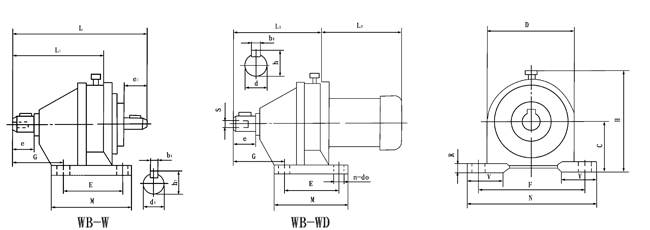
WB、WBD型臥式單級微型擺線減速機外型及安裝尺寸
|
機
型
|
外形尺寸
|
安裝尺寸
|
輸入軸
|
輸出軸
|
重量
|
||||||||||||||||||||
|
H
|
M
|
N
|
D
|
L
|
L1
|
C
|
G
|
R
|
E
|
F
|
S
|
v
|
n
|
d0
|
b1
|
h1
|
d1
|
e1
|
b
|
h
|
d
|
e
|
帶D
|
不帶D
|
|
|
65
|
120
|
90
|
150
|
110
|
135
|
95
|
60
|
45
|
8
|
60
|
130
|
M4
|
25
|
45
|
7
|
3
|
11
|
10
|
16
|
4
|
13.5
|
12
|
20
|
7
|
5
|
|
85
|
140
|
100
|
175
|
127
|
148
|
110
|
70
|
53
|
10
|
70
|
150
|
M5
|
30
|
4
|
9
|
3
|
13
|
12
|
16
|
5
|
16
|
14
|
23
|
9
|
6
|
|
100
|
155
|
110
|
185
|
145
|
174
|
130
|
80
|
63
|
12
|
80
|
160
|
M6
|
32
|
4
|
9
|
4
|
15.6
|
14
|
20
|
6
|
20.5
|
18
|
25
|
13
|
9
|
|
120
|
190
|
120
|
185
|
188
|
215
|
165
|
100
|
93
|
15
|
90
|
150
|
M8
|
35
|
4
|
11
|
5
|
17
|
15
|
22
|
8
|
33
|
30
|
35
|
18
|
14
|
|
150
|
235
|
160
|
250
|
210
|
260
|
200
|
120
|
115
|
18
|
120
|
210
|
M8
|
50
|
4
|
15
|
6
|
22
|
20
|
30
|
10
|
38.5
|
35
|
55
|
35
|
20
|
|
型
|
外形尺寸
|
安裝尺寸
|
輸入軸
|
輸出軸
|
重量
|
|||||||||||||||||
|
D
|
L1
|
L
|
L2
|
D1
|
n
|
d0
|
R
|
R1
|
M
|
D2
|
S
|
b1
|
h1
|
d1
|
e1
|
b
|
h
|
d
|
e
|
帶D
|
不帶D
|
|
|
65
|
120
|
95
|
135
|
視
電
機
尺
寸
決
定
|
100
|
4
|
7
|
8
|
2.5
|
24
|
65
|
M4
|
3
|
11
|
10
|
16
|
4
|
13.5
|
12
|
20
|
6.5
|
4.5
|
|
85
|
140
|
110
|
148
|
120
|
4
|
9
|
9
|
2.5
|
27
|
85
|
M5
|
3
|
13
|
12
|
16
|
5
|
16
|
14
|
23
|
8.5
|
4.5
|
|
|
100
|
160
|
130
|
174
|
134
|
4
|
9
|
10
|
3
|
30
|
100
|
M6
|
4
|
15.6
|
14
|
20
|
6
|
20.5
|
18
|
25
|
12
|
8
|
|
|
120
|
190
|
165
|
215
|
160
|
4
|
11
|
10
|
3
|
39
|
140
|
M8
|
5
|
17
|
15
|
22
|
8
|
33
|
30
|
35
|
17
|
13
|
|
|
150
|
230
|
200
|
260
|
200
|
6
|
11
|
14
|
4
|
60
|
170
|
M8
|
6
|
22
|
20
|
30
|
10
|
38.5
|
35
|
55
|
35
|
20
|
|
|
機
型
|
外形尺寸
|
安裝尺寸
|
輸入軸
|
軸出軸
|
重量
|
||||||||||||||||||||
|
H
|
M
|
N
|
D
|
L
|
L1
|
C
|
G
|
R
|
E
|
F
|
S
|
v
|
n
|
d0
|
b1
|
h1
|
d1
|
e1
|
b
|
h
|
d
|
e
|
帶D
|
不帶D
|
|
|
1065
|
155
|
110
|
185
|
145
|
225
|
185
|
80
|
63
|
12
|
80
|
160
|
M6
|
32
|
4
|
9
|
3
|
11
|
10
|
16
|
6
|
20.5
|
18
|
25
|
15.5
|
13.5
|
|
1285
|
190
|
120
|
185
|
168
|
268
|
230
|
100
|
93
|
15
|
90
|
150
|
M8
|
35
|
4
|
11
|
3
|
13
|
12
|
16
|
8
|
33
|
30
|
35
|
20
|
16
|
|
1510
|
235
|
250
|
250
|
210
|
325
|
295
|
120
|
115
|
18
|
120
|
210
|
M8
|
50
|
4
|
15
|
4
|
15.6
|
14
|
20
|
10
|
38.5
|
35
|
55
|
40
|
25
|
WB系列微型擺線針輪減速機許用扭矩
|
機型
|
WB65
|
WB85
|
WB100
|
WB120
|
WB150
|
WEB1065
|
WEB1285
|
WEB1510
|
|
許用扭轉極限值
|
25
|
60
|
120
|
180
|
250
|
120
|
180
|
250
|