NGW行星齒輪減速機用途
NGW型系列行星齒輪減速器適用于礦山、冶金、起重運輸、紡織、化工、輕工等行業。
NGW行星齒輪減速機特點
(1)重量輕、體積小、在相同條件下比普通圓柱齒輪減速器重量可減輕1/2以上,體積可縮小1/2~1/3。
(2)傳動速率高,單級傳動可達0.97~0.98,兩級可達0.94~0.96,三級可達0.91~0.94.
(3)傳動功率范圍大,可由小于1千瓦到1300瓦。
(4)運轉平穩、噪音小,且耐用、壽命長。
NGW行星齒輪減速機適用條件
(1)高速軸最高轉速不得超過1500轉/分。
(2)齒輪的圓周速度不得超過10米/秒。
(3)工作環境溫度為-40℃~+45℃。
(4)可正反兩向運轉。

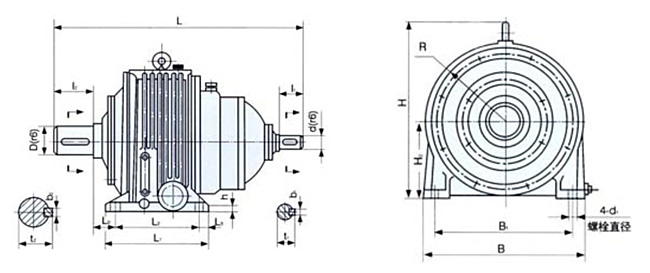
單級減速器型式、尺寸圖表
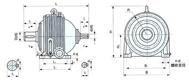
兩級減速器型式、尺寸圖表

三級減速器型式、尺寸圖表

上一條:沒有了
下一條:P系列行星齒輪減速機