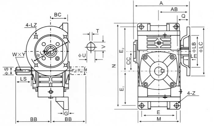
WPWDO型蝸輪蝸桿減速機的安裝方法
正確的安裝,使用和維護減速器,是保證機械設備正常運行的重要環節。 因此,在您安裝減速器時,請務必嚴格按照下面的安裝使用相關事項,認真地裝配和使用。
第一步是安裝前確認電機和減速器是否完好無損,并且嚴格檢查電機與減速器相連接的各部位尺寸是否匹配,這里是電機的定位凸臺、輸入軸與減速器凹槽等尺寸及配合公差。
第二步是旋下減速器法蘭外側防塵孔上的螺釘,調整夾緊環使其側孔與防塵孔對齊,插入內六角旋緊。之后,取走電機軸鍵。
第三步是將電機與減速器自然連接。連接時必須保證減速器輸出軸與電機輸入軸同心度一致,且二者外側法蘭平行。如同心度不一致,會導致電機軸折斷或減速機齒輪磨損。



上一條:WPWDK型蝸輪蝸桿減速機
下一條:WPWDS型蝸輪蝸桿減速機